Modern Defense Technology ›› 2025, Vol. 53 ›› Issue (5): 99-110.DOI: 10.3969/j.issn.1009-086x.2025.05.011

• AIRCRAFT TECHNOLOGY • Previous Articles     Next Articles

Research on Transonic Aerodynamic Characteristics of Blade Missile with Kinetic Energy

Guoliang MA, Meng ZHANG, Guiyuan HAN, Yunbo SHEN, Bing YUAN   

  1. School of Mechatronic Engineering,Xi’an Technological University,Xi’an 710021,China
  • Received:2024-06-11 Revised:2024-10-15 Online:2025-10-28 Published:2025-11-03

刀片动能导弹跨声速气动特性研究

马国亮, 张猛, 韩桂元, 沈云波, 袁冰   

  1. 西安工业大学 机电工程学院,陕西 西安 710021
  • 作者简介:马国亮(1986-),男,陕西凤翔人。副教授,博士,研究方向为振动控制,空天智能装备。
  • 基金资助:
    山西省科技计划项目(2025JCYBMS-100);西安市碑林区科技计划项目(GX2415)

Abstract:

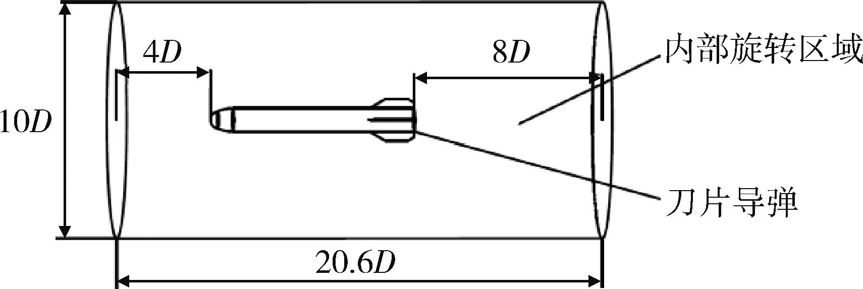
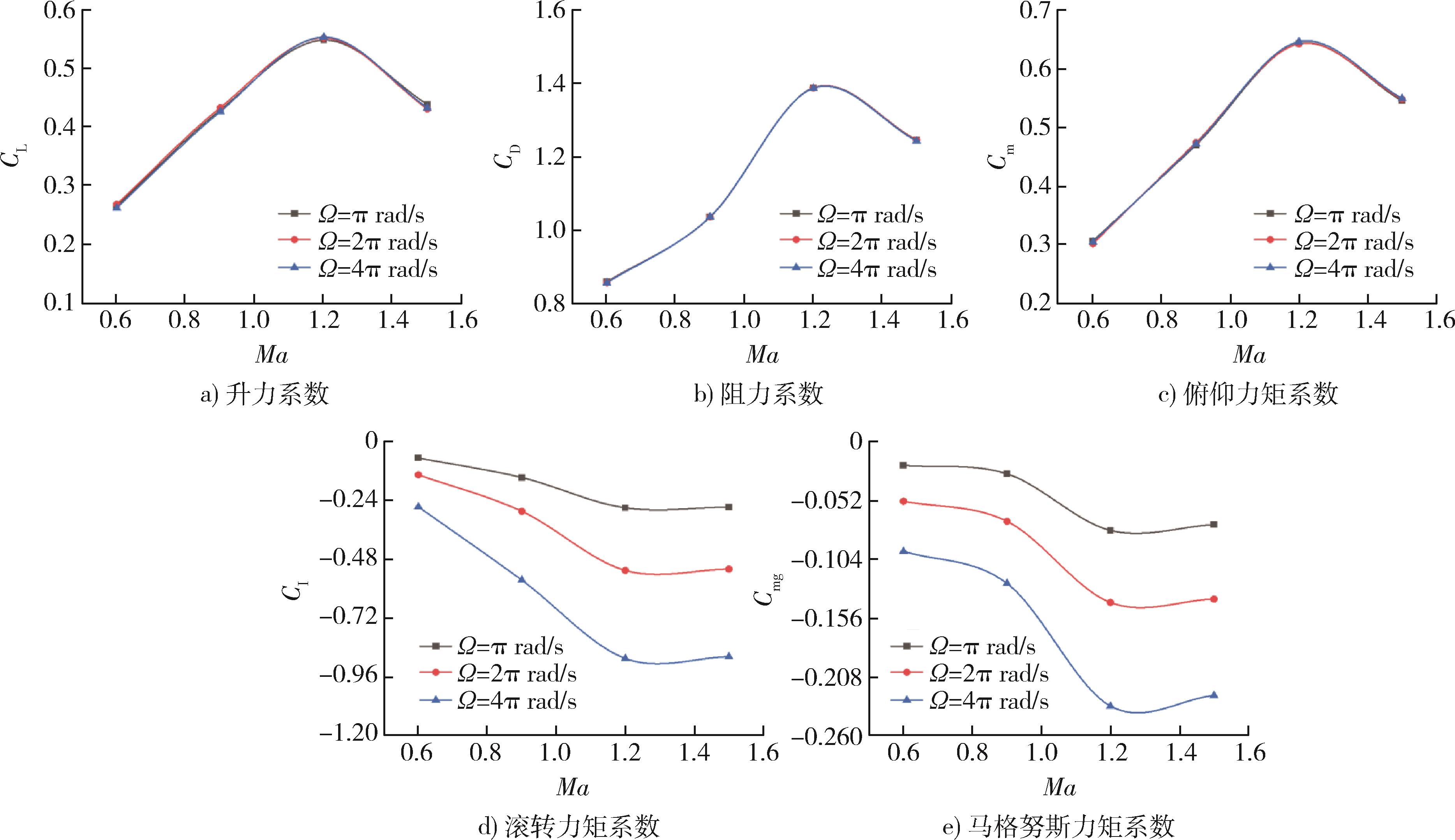
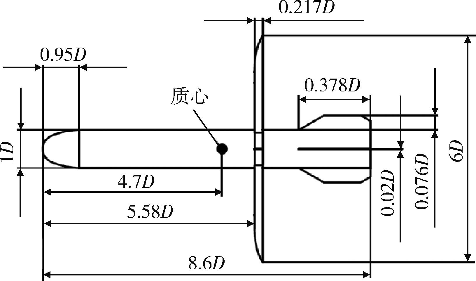
Blade missile, characterized by a small killing range and low damage effect, is suitable for special operation missions. In consideration of the effects of spin and flow velocity on the aerodynamic force of blade missiles in both deployed and retracted states, the variation of aerodynamic parameters during transonic flight was investigated. The sliding grid technique was applied to divide the flow field into a stationary region and a rotating region surrounding the missile. The ICEM CFD preprocessing software was applied to generate seven million grids by a multi-block splicing method, with a turbulence model and boundary conditions set. A simulation model of the blade missile was established, and the grid convergence and time step independence were verified. The aerodynamic characteristics of the blade missile during deployment and retraction were investigated, and the pressure distribution law of the external flow field at different positions of the missile was calculated under different Mach numbers and spin speeds. The calculation results show that the aerodynamic parameters increase first and then decrease with velocity, and they reach a maximum value at a Mach number of around 1.2, which has certain guiding significance for the development of blade missiles.

Key words: blade missile, aerodynamic characteristic, sliding grid technique, spin speed, Mach number, flow field distribution

摘要:

刀片导弹兼具杀伤范围小、毁伤效应低的特点,适合特种作战任务。针对刀片导弹展开和收拢状态下自旋和流速对气动力的影响,研究了跨声速飞行时的气动参数变化规律应用滑移网格技术,将流场域划分为一个静止区域和包围弹体的旋转区域,并应用ICEM CFD前处理软件,采用多块拼接的方法,生成700万网格,设置了湍流模型和边界条件建立刀片导弹的仿真模型,对网格收敛性及时间步独立性进行验证后,开展刀片导弹展开和收拢时的气动特性研究,在不同马赫数和自旋速度条件下,计算弹体不同位置外部的流场压力分布规律。计算结果表明,气动参数随速度先增大后减小,在马赫数为1.2左右时达到最大值,对刀片导弹的研制具有一定的指导意义。

关键词: 刀片导弹, 气动特性, 滑移网格技术, 自旋速度, 马赫数, 流场分布

CLC Number: